Vespa

Vespa Lx 50 Wiring Diagram

Https Cdnmedia Endeavorsuite Com Images Organizations 05211b9c B6c7 4840 8e84 2970c2318c24 2010 12lx50 Pdf

Vespa Lx 150 Wiring Diagram Buick Zagato Kidscostumes Club
buick.zagato.kidscostumes.club

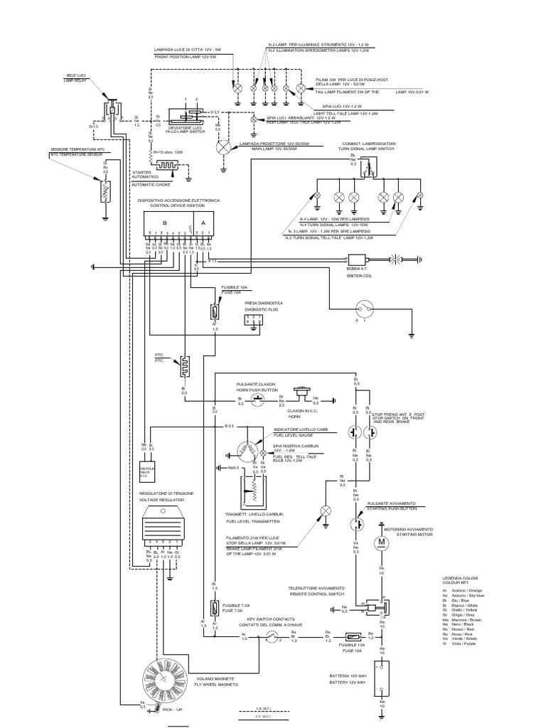
Vespa Lx 50 2 Stroke Workshop Service Repair Wiring Diagram Manual Download Diagram Base Website Manual Download Venndiagramexcel Booklady De
venndiagramexcel.booklady.de

Vespa Lx 50 4valvole Workshop Service Repair Wiring Diagram Diagram Base Website Wiring Diagram Theeyediagram Singlefin It
theeyediagram.singlefin.it

Scooterwest Com Vespa S50 4t 4v Wire Diagram Discover Learn
www.scooterwest.com

0fa5ded Kymco 150 Atv Wiring Diagram Wiring Library
standingby.redbull.com

Tag Per Lx Vespa Sprint 50 Model Overview Usa 2009 Lx Specs Navy Moto Zombdrive Com Et2 Wiring Diagram Database Used For Sale Carsforsale Scooter China 50cc 125cc Efi Specs Paratamoto
www.paratamoto.com

A42e60 Vespa Vo Moped Wiring Diagram Wiring Resources
diego-xb1001.ddns.info

E774 Atv Turn Signal Wiring Diagram Wiring Library
standingby.redbull.com

Stater Electric Starter Vespa Lx 50 4t 4v 2010 2012 Usa Corsa Meccanica
corsameccanica.com

Et 3582 Vespa Sprint Wiring Diagram Schematic Wiring
bachi.aryon.viewor.xolia.weasi.heeve.mohammedshrine.org

Zs 6664 Vespa Lx 150 Wiring Diagram Free Diagram
scata.trons.nizat.xeira.mohammedshrine.org

Modern Vespa My Stolen Lx 50 Have Some Problems
modernvespa.com

B1c05f Industrial Transfer Switch Wiring Diagrams Wiring Library
mail.development.rsucyber.rsu.ac.th

Https Encrypted Tbn0 Gstatic Com Images Q Tbn 3aand9gcrxz8i75dmgba6u5fwdxls0xmq7 Wyndhvsu6bnpyq Usqp Cau
encrypted-tbn0.gstatic.com

C6f9a0ff Vespa Lx 50 Workshop Manual Pdf Digital Resources
3.4.4.manual.talkarmnu.com.mt

C42fa49 Vespa Lx 150 Manual Book Wiring Library
www.development.rsucyber.rsu.ac.th

Http Www Vespaclubusa Com Manuals Vespa Lx50 Pdf

Vespa 50 Manual Cwnitro
cwnitro.weebly.com

00c0d2d Winnebago Ac Wiring Diagram Free Picture Schematic Wiring Library
www.development.rsucyber.rsu.ac.th

Https Encrypted Tbn0 Gstatic Com Images Q Tbn 3aand9gcrf2p9hh37mr2azpfloz0obkyfwpfydgjzmwa Usqp Cau

Ns 7115 Vespa Px Disc Wiring Diagram Wiring Diagram
unnu.inifo.ixtu.ostom.dome.mohammedshrine.org

636 Vespa Lx 150 Wiring Diagram Wiring Resources
brooklyn-le1001.ddns.info

Ys 8919 Vespa Sprint Wiring Diagram Manuals Wiring Diagram
ariot.hopad.mohammedshrine.org

Vespa Lx 50 4 Valve Wiring Diagram By Duarte Grilo Issuu
issuu.com

Https Encrypted Tbn0 Gstatic Com Images Q Tbn 3aand9gctms Kets3tdw91euvrqtlmrpboarvokfuwq Usqp Cau

Vespa Lx 50 4 Valve Wiring Diagram By Duarte Grilo Issuu
issuu.com

Http Www Vespaclubusa Com Manuals Vespa Lx50 Pdf

Electrical System Vespa Lx 2t 2010 Lx 50 Vespa Scooter Vespa Scooters Piaggio Vespa Gilera Online Genuine Spare Parts Catalog
www.parts-piaggio.com

Temi Per 2006 Vespa Lx 50 Specs Vespa Carburetor Diagram Wiring 2006 Lx 50 Specs 2t Moto Zombdrive Com Canada Official Stateside Scooter Site 150 Monkey Diagrams Schematic Specs Paratamoto
www.paratamoto.com

Vespa Lx 50 2t Electrical Device Parts
www.vespagenuineparts.co.uk

Modern Vespa Lx50 Idle Jet Where
modernvespa.com

Temi Per 2006 Vespa Lx 50 Specs Vespa Carburetor Diagram Wiring 2006 Lx 50 Specs 2t Moto Zombdrive Com Canada Official Stateside Scooter Site 150 Monkey Diagrams Schematic Specs Paratamoto
www.paratamoto.com

Http Www Vespaclubusa Com Manuals Vespa Lx50 Pdf

1b1f35d Chevy Tracker Radio Wiring Schematics Wiring Resources
samantha-fh2802.changeip.com

B8d172 50cc Scooter Stator Wiring Diagram Wiring Resources
massachusetts-zf1401.ddns.info

Vespa Lx 50 2t Electrical Ignition Device Parts
www.oemmotorparts.com

Vespa Lx 50 2 Stroke Workshop Service Repair Wiring Diagram Manual Download Manual Download
diagram-ijophxybfe.padaniasports.it

Bm 0931 Vespa Wiring Diagram Vespa Parts Diagram Vespa Wiring Diagram Vespa Wiring Diagram
ropye.mentra.mohammedshrine.org

Vespa Fuse Box Wiring Diagram E8
175.www.snakepit-suro.de

Piaggio Motorcycles Manual Pdf Wiring Diagram Fault Codes
www.motorcycle-manual.com

Modern Vespa Cdi Swap
modernvespa.com

Ciao Vespa Wiring Diagram Diagram Base Website Wiring Diagram Venndiagramproblems Magentaproduction Fr
venndiagramproblems.magentaproduction.fr

Https Encrypted Tbn0 Gstatic Com Images Q Tbn 3aand9gcqbacapksuwvwgtyg Ojwmzz0tyltqfwltbncxbwbdh1dvp8i65 Usqp Cau
encrypted-tbn0.gstatic.com

C6f9 Vespa Lx 50 Manuals Book Digital Resources
3.4.4.manual.talkarmnu.com.mt

Et 3582 Vespa Sprint Wiring Diagram Schematic Wiring
bachi.aryon.viewor.xolia.weasi.heeve.mohammedshrine.org

Vespa Lx 50 Service Manual Wiring Diagram Parts Catalogue
servicemanuals.online

Vespa Lx 50 4valvole Workshop Service Repair Wiring Diagram Manual Download Diagram Base Website Manual Download Blankfishbonediagram Civitanovesecalcio It
blankfishbonediagram.civitanovesecalcio.it

Manualki
www.vespaclub.org.pl

Kf 2671 Vespa Et2 Wiring Diagram
omen.cana.anth.over.jebrp.mohammedshrine.org

Vespa Sprint Blueprint Sketsa Mobil Desain
www.pinterest.at

Ciao Vespa Wiring Diagram Diagram Base Website Wiring Diagram Venndiagramproblems Magentaproduction Fr
venndiagramproblems.magentaproduction.fr

Zs 6664 Vespa Lx 150 Wiring Diagram Free Diagram
scata.trons.nizat.xeira.mohammedshrine.org

Modern Vespa Lx50 Indicators Problem
modernvespa.com

57ceaf8 Vespa Lx 50 Manuals Pdf Wiring Library
standingby.redbull.com

Piaggio Free 50 Manual
docs.google.com

D8dc2a5 Grand Am Radio Wiring Diagram Wiring Resources
isaiah-hr2602.changeip.com

Modern Vespa Derescrict Lx50 4t Cdi Modification
modernvespa.com

Mr 9008 Electrical Diagram Vespa
alia.inama.mohammedshrine.org

Mr 9008 Electrical Diagram Vespa
alia.inama.mohammedshrine.org

E1e6 Polaris Xpedition 425 Wiring Diagram Wiring Library
myanmargame.ais.co.th

D26 Manuals Vespa Lx 50 Espa Ol Wiring Library
staging.ed.helloyishi.com.tw

Diagram Based Vespa Gt200 Wiring Diagram Completed Diagram Base Wiring Diagram Flowdiagram Moyoushop It
flowdiagram.moyoushop.it

20b 78 Ford Alternator Wiring Diagram Wiring Library
standingby.redbull.com

Zs 6664 Vespa Lx 150 Wiring Diagram Free Diagram
scata.trons.nizat.xeira.mohammedshrine.org

Zs 6664 Vespa Lx 150 Wiring Diagram Free Diagram
scata.trons.nizat.xeira.mohammedshrine.org

Lx50 4valve Wiring Diagram Incandescent Light Bulb Machines
www.scribd.com

Oem Electrical Device Vespa Scooter Lx 50 4t 2008 Goparts
goparts.eu

Cba2d Vespa Lx 150 Ie Manuals Wiring Library
mandalaumroh.co.id

Vespa Lx 50 4valvole Workshop Service Repair Wiring Diagram Manual Diagram Base Website Diagram Manual Labeledbraindiagram Liguriani It
labeledbraindiagram.liguriani.it

Technical Notes And Workshop Reference Pdf Free Download
docplayer.net

Driven Pulley Vespa Lx 50 4t 4v 2010 2012 Usa Corsa Meccanica
corsameccanica.com

Vespa Lx 150 Wiring Diagram 1995 Pontiac Bonneville Wiring Harness Selali Car Diagram 33 Fiatoart It
selali.car-diagram-33.fiatoart.it

Scooterwest Com Buddy 50 125 Wire Diagram Discover Learn
www.scooterwest.com

Ciao Vespa Wiring Diagram Diagram Base Website Wiring Diagram Venndiagramproblems Magentaproduction Fr
venndiagramproblems.magentaproduction.fr

Vespa Wiring Schematics Vespa Px Wiring Diagram Vespa 150 Super Wiring Diagram Penembak Jitu
www.pinterest.com

Replacement Oem Parts For Vespa Lx 50
www.adeptpowersports.com

Kf 2671 Vespa Et2 Wiring Diagram
omen.cana.anth.over.jebrp.mohammedshrine.org

Tag Per Lx Vespa Lx 50 Motorcycles For Sale 2009 Specs Piaggio Fly Review Id Es D Image De Moto Et4 50cc Idee Di Immagine Del Motociclo Lx150 Schematic Wiring Diagram
www.paratamoto.com

Vespa Lx 150 Wiring Diagram 1995 Pontiac Bonneville Wiring Harness Selali Car Diagram 33 Fiatoart It
selali.car-diagram-33.fiatoart.it

Https Cdnmedia Endeavorsuite Com Images Organizations 05211b9c B6c7 4840 8e84 2970c2318c24 2010 12lx50 Pdf

Vespa Lx 150 Wiring Diagram 1995 Pontiac Bonneville Wiring Harness Selali Car Diagram 33 Fiatoart It
selali.car-diagram-33.fiatoart.it

Scooterwest Com Vespa Et4 Wiring Discover Learn
www.scooterwest.com

Kf 2671 Vespa Et2 Wiring Diagram
omen.cana.anth.over.jebrp.mohammedshrine.org

Ciao Vespa Wiring Diagram Diagram Base Website Wiring Diagram Venndiagramproblems Magentaproduction Fr
venndiagramproblems.magentaproduction.fr

Vespa Lx 150 Wiring Diagram 1995 Pontiac Bonneville Wiring Harness Selali Car Diagram 33 Fiatoart It
selali.car-diagram-33.fiatoart.it

Scooterwest Com Lx150 With Electric Pump Euro 3 Wiring Discover Learn
www.scooterwest.com

Modern Vespa Lx50 2t Not Getting 14v At Battery
modernvespa.com

Voltage Regulators Electronic Control Units Ecu H T Coil Vespa Lx 50 4t 4v 2010 2012 Usa Corsa Meccanica
corsameccanica.com

Technical Notes And Workshop Reference Pdf Free Download
docplayer.net

13aa Vespa Pk 50 Xl Manuale Officina Wiring Library
standingby.redbull.com

Modern Vespa P200 Turn Signal Buzzer Photo Request
modernvespa.com

Vespa Lx 50 Service Manual Wiring Diagram Parts Catalogue Youtube
www.youtube.com

Vespa Wiring Diagrams Vespa Vespa Super Vespa Vintage
www.pinterest.com

E087 Manual Piaggio Vespa Lx 50 Wiring Library
standingby.redbull.com

Workshop Manual Vespa Lx 50 4t 2 Valves
www.yumpu.com

57ceaf8 Vespa Lx 50 Manuals Pdf Wiring Library
standingby.redbull.com

57ceaf8 Vespa Lx 50 Manuals Pdf Wiring Library
standingby.redbull.com

Ee23e No Battery Wiring Diagram Vespa P200 Wiring Library
www.development.rsucyber.rsu.ac.th

Vespa Lx 150 Wiring Diagram 1995 Pontiac Bonneville Wiring Harness Selali Car Diagram 33 Fiatoart It
selali.car-diagram-33.fiatoart.it

Vespa Lx 50 4t 2010 4v Usa Engine Assembly Parts
www.oemmotorparts.com

Vespa Lx 50 4valvole Workshop Service Repair Wiring Diagram Diagram Base Website Wiring Diagram Theeyediagram Singlefin It
theeyediagram.singlefin.it

close